CAD频道
CAD图库
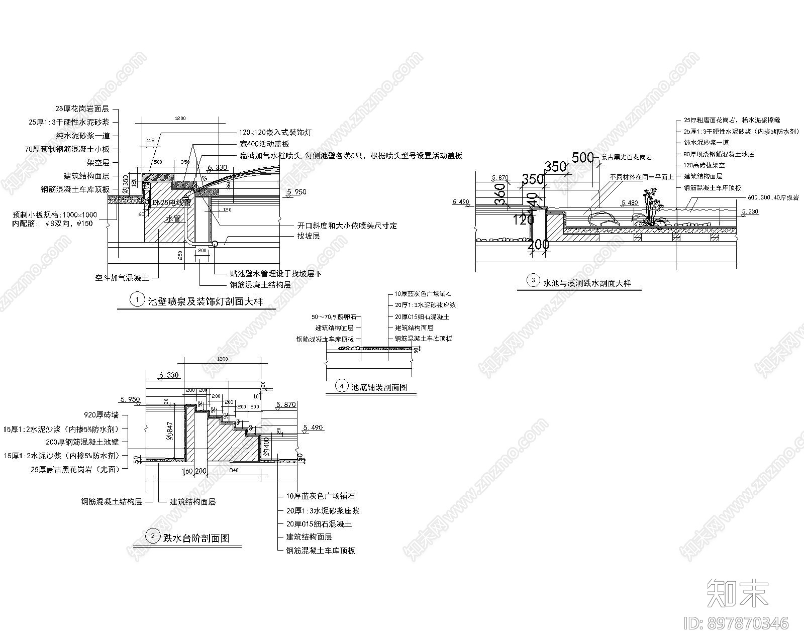
跌水台阶 立面 剖面 施工图 地面节点
跌水台阶CAD下载
ID: 897870346
复制
上传作者
小会涂猿
上传时间
2021-07-20
文件大小
0.19M
设计风格:
--
CAD版本:
CAD2004
包含文件:
CAD
授权
普通
立即下载
收藏
分享
举报
相关推荐
综合
地面节点
地台节点
地坪漆
地毯节点
路面节点
门槛石节点
木地板
花岗岩
地面综合节点