CAD频道
CAD图库
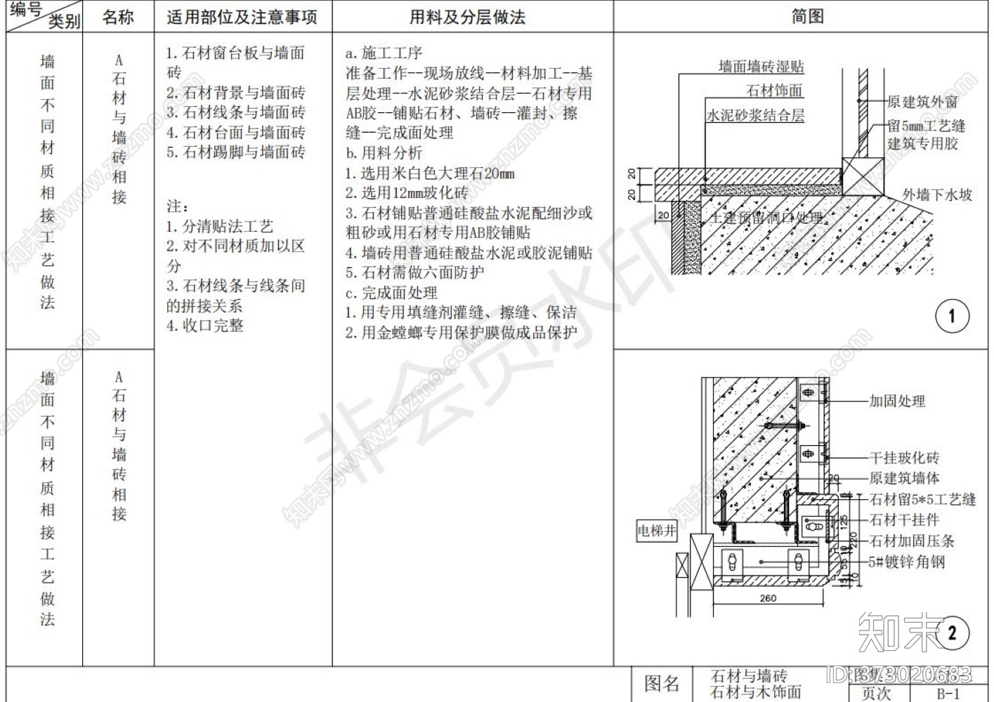
装饰工程通用节点图 施工图
1/
7
Previous
Next
装饰工程通用节点图CAD下载
ID: 373020683
复制
上传作者
䲜
上传时间
2020-09-24
文件大小
3.96M
设计风格:
--
CAD版本:
CAD2004
包含文件:
CAD
授权
普通
立即下载
收藏
分享
举报
相关推荐
综合
室内工艺节点
其他室内工艺节点