1/2


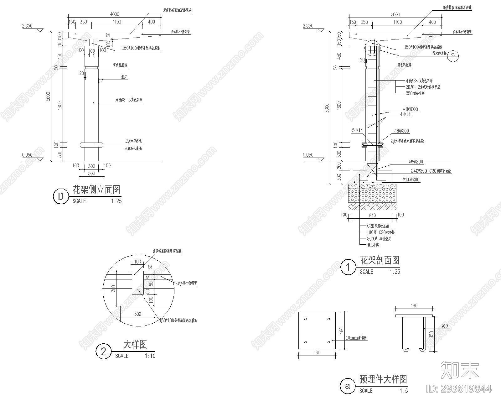
弧形花架CAD下载
ID: 293619844
复制
上传作者
[虾绞。烧埋]
[虾绞。烧埋]上传时间2021-05-26
文件大小0.06M
设计风格:--
CAD版本:CAD2010
包含文件:CAD
授权普通
立即下载
收藏
分享
举报
相关推荐
综合
植物图库
植物配置图库
绿植
花
综合植物图库
乔木种植
灌木种植
地被种植
草坪种植
攀援植物


[虾绞。烧埋]上传时间2021-05-26
文件大小0.06M
设计风格:--
CAD版本:CAD2010
包含文件:CAD
授权普通