1/4


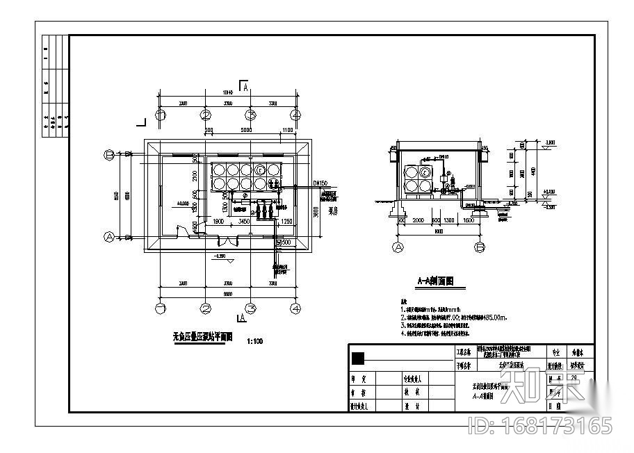
某农村供水加压泵房设计图CAD下载
ID: 168173165
复制
上传作者
638878458
638878458上传时间2020-07-21
文件大小0.33M
设计风格:其他
CAD版本:CAD2000
包含文件:CAD
授权普通
立即下载
收藏
分享
举报
相关推荐
综合
电气工程节点
给排水节点详图
暖通节点
电气节点
水处理节点
其他电气工程节点


638878458上传时间2020-07-21
文件大小0.33M
设计风格:其他
CAD版本:CAD2000
包含文件:CAD
授权普通