1/2


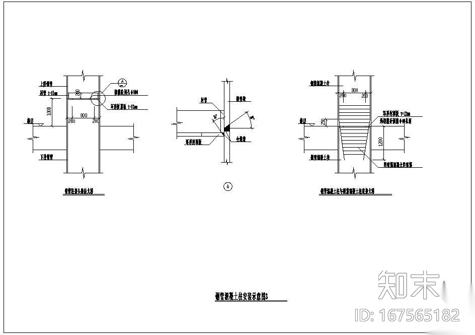
某钢管混凝土柱安装示意节点构造详图CAD下载
ID: 167565182
复制
上传作者
833654674
833654674上传时间2020-07-16
文件大小0.1M
设计风格:其他
CAD版本:CAD2000
包含文件:CAD
授权普通
立即下载
收藏
分享
举报
相关推荐
综合
结构节点图
钢结构节点
桁架
混凝土节点
幕墙结构节点
转换层
其他结构设计


833654674上传时间2020-07-16
文件大小0.1M
设计风格:其他
CAD版本:CAD2000
包含文件:CAD
授权普通