1/4


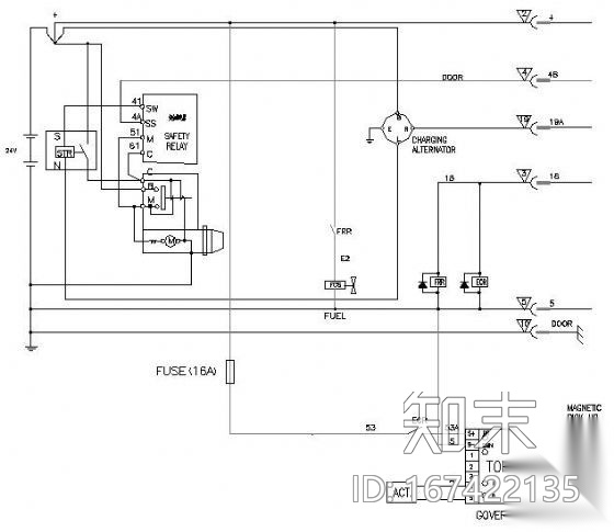
电厂柴油发电机竣工图纸CAD下载
ID: 167422135
复制
上传作者
738872543
738872543上传时间2020-07-16
文件大小0.33M
设计风格:其他
CAD版本:CAD2000
包含文件:CAD
授权普通
立即下载
收藏
分享
举报
相关推荐
综合
电气工程节点
电气节点
给排水节点详图
暖通节点
水处理节点
其他电气工程节点


738872543上传时间2020-07-16
文件大小0.33M
设计风格:其他
CAD版本:CAD2000
包含文件:CAD
授权普通