
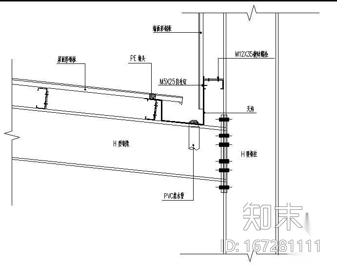
某高低跨内天沟节点构造详图大样CAD下载
ID: 167281111
复制
上传作者
613269573
613269573上传时间2020-07-15
文件大小0.04M
设计风格:其他
CAD版本:CAD2000
包含文件:CAD
授权普通
立即下载
收藏
分享
举报
相关推荐
综合
结构节点图
钢结构节点
桁架
混凝土节点
幕墙结构节点
转换层
其他结构设计

613269573上传时间2020-07-15
文件大小0.04M
设计风格:其他
CAD版本:CAD2000
包含文件:CAD
授权普通