1/4


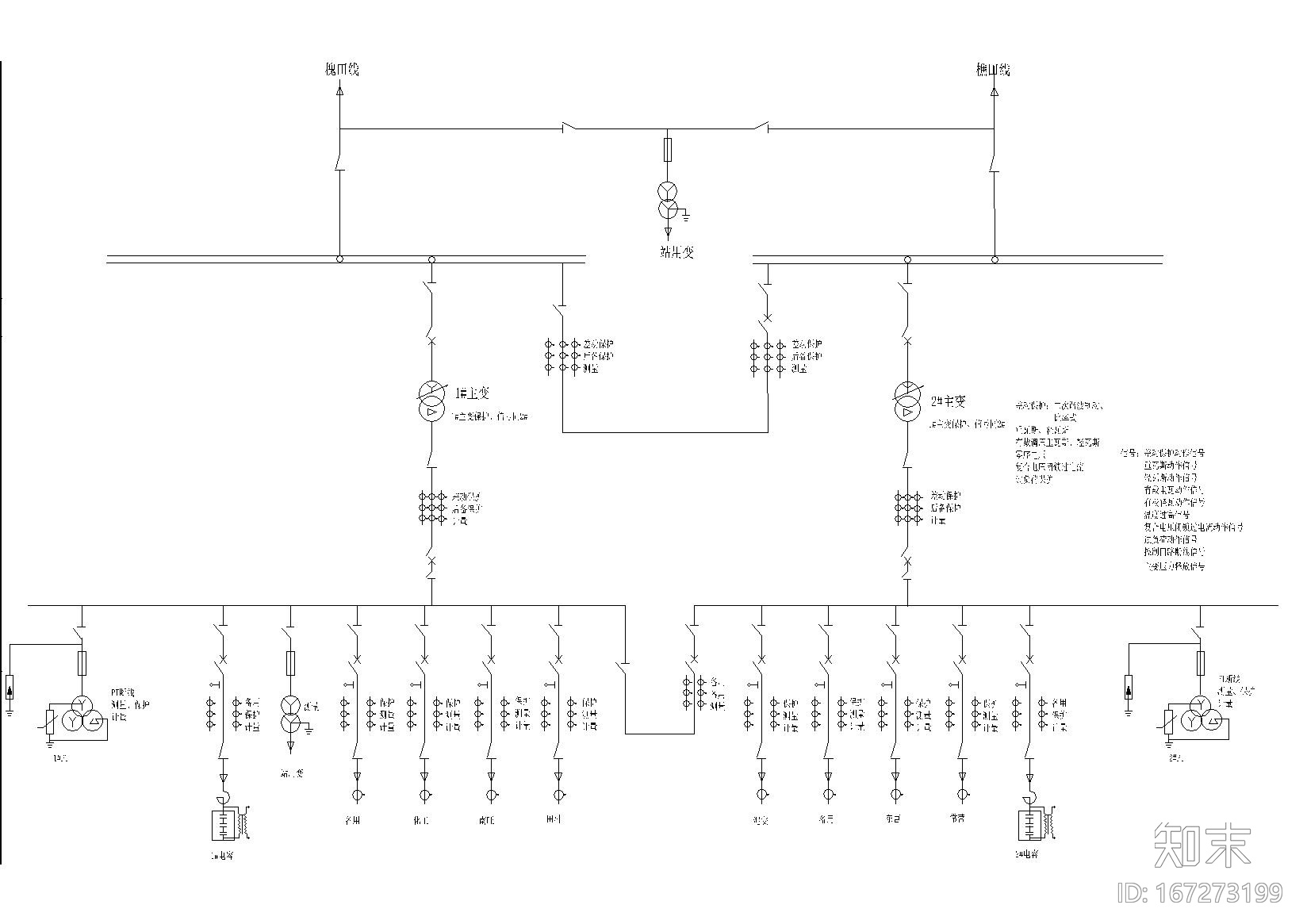
35kV无人值班变电站初设图CAD下载
ID: 167273199
复制
上传作者
593573458
593573458上传时间2020-07-15
文件大小0.56M
设计风格:其他
CAD版本:CAD2000
包含文件:CAD
授权普通
立即下载
收藏
分享
举报
相关推荐
综合
机电工程
电气图
给排水图
水处理
暖通空调
电气工程节点
消防设施
机械设备
其他机电图纸
建筑给排水


593573458上传时间2020-07-15
文件大小0.56M
设计风格:其他
CAD版本:CAD2000
包含文件:CAD
授权普通