
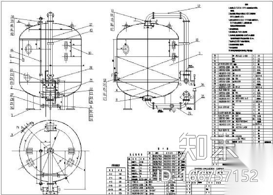
Φ3200多介质过滤器CAD下载
ID: 166757152
复制
上传作者
289893389
289893389上传时间2020-07-11
文件大小0.5M
设计风格:其他
CAD版本:CAD2000
包含文件:CAD
授权普通
立即下载
收藏
分享
举报
相关推荐
综合
电气工程节点
给排水节点详图
暖通节点
电气节点
水处理节点
其他电气工程节点

289893389上传时间2020-07-11
文件大小0.5M
设计风格:其他
CAD版本:CAD2000
包含文件:CAD
授权普通