1/4


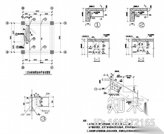
钢结构旋转楼梯结构图CAD下载
ID: 166472165
复制
上传作者
763847816
763847816上传时间2020-07-09
文件大小0.91M
设计风格:其他
CAD版本:CAD2000
包含文件:CAD
授权普通
立即下载
收藏
分享
举报
相关推荐
综合
CAD图库
楼梯构件
家具图库
其他图库
灯具图库
植物图库
填充图案
交通工具图库
工装图库
制图规范


763847816上传时间2020-07-09
文件大小0.91M
设计风格:其他
CAD版本:CAD2000
包含文件:CAD
授权普通