1/6


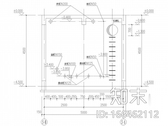
矩形消防水池框剪结构CAD下载
ID: 166462112
复制
上传作者
741347111
741347111上传时间2020-07-09
文件大小0.39M
设计风格:其他
CAD版本:CAD2000
包含文件:CAD
授权普通
立即下载
收藏
分享
举报
相关推荐
综合
结构设计
混凝土结构
钢结构
幕墙结构
砌体结构
木结构
结构节点图
其他结构图纸


741347111上传时间2020-07-09
文件大小0.39M
设计风格:其他
CAD版本:CAD2000
包含文件:CAD
授权普通