
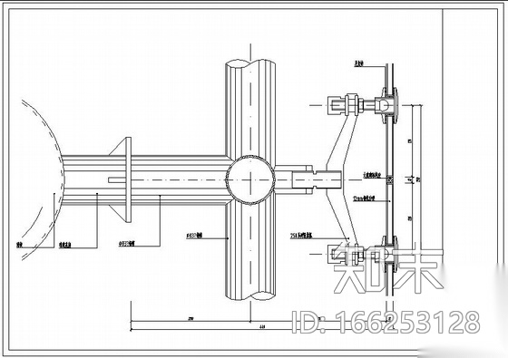
某点式玻璃幕墙节点构造详图CAD下载
ID: 166253128
复制
上传作者
487443962
487443962上传时间2020-07-08
文件大小0.17M
设计风格:其他
CAD版本:CAD2000
包含文件:CAD
授权普通
立即下载
收藏
分享
举报
相关推荐
综合
结构节点图
幕墙结构节点
桁架
钢结构节点
混凝土节点
转换层
其他结构设计

487443962上传时间2020-07-08
文件大小0.17M
设计风格:其他
CAD版本:CAD2000
包含文件:CAD
授权普通