
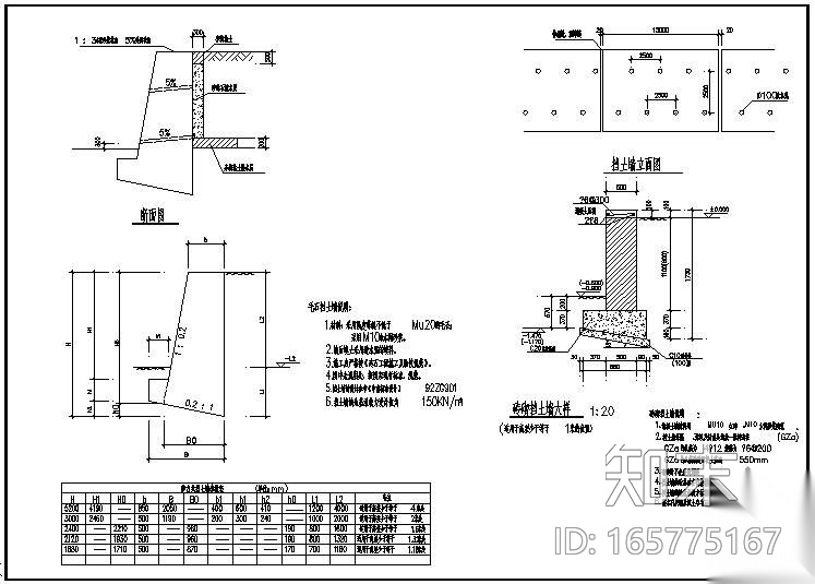
某砖砌挡土墙大样节点构造详图CAD下载
ID: 165775167
复制
上传作者
932943123
932943123上传时间2020-07-03
文件大小0.04M
设计风格:其他
CAD版本:CAD2000
包含文件:CAD
授权普通
立即下载
收藏
分享
举报
相关推荐
综合
结构节点图
混凝土节点
桁架
钢结构节点
幕墙结构节点
转换层
其他结构设计

932943123上传时间2020-07-03
文件大小0.04M
设计风格:其他
CAD版本:CAD2000
包含文件:CAD
授权普通