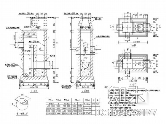
雨水跌水井大样图施工图下载【ID:165646177】

雨水跌水井大样图CAD下载

ID: 165646177
复制
上传作者
738536573738536573

上传时间2020-07-02

文件大小0.11M

设计风格:其他

CAD版本:CAD2000

包含文件:CAD

授权普通

立即下载
收藏
分享
举报
相关推荐
综合
结构节点图
混凝土节点
桁架
钢结构节点
幕墙结构节点
转换层
其他结构设计