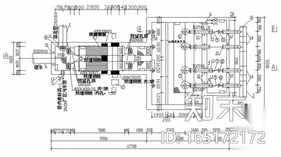
某污水泵站图纸施工图下载【ID:165172172】

某污水泵站图纸CAD下载

ID: 165172172
复制
上传作者
516186116516186116

上传时间2020-06-28

文件大小0.6M

设计风格:其他

CAD版本:CAD2000

包含文件:CAD

授权普通

立即下载
收藏
分享
举报
相关推荐
综合
给排水图
市政给排水
景观给排水
其他给排水