1/7


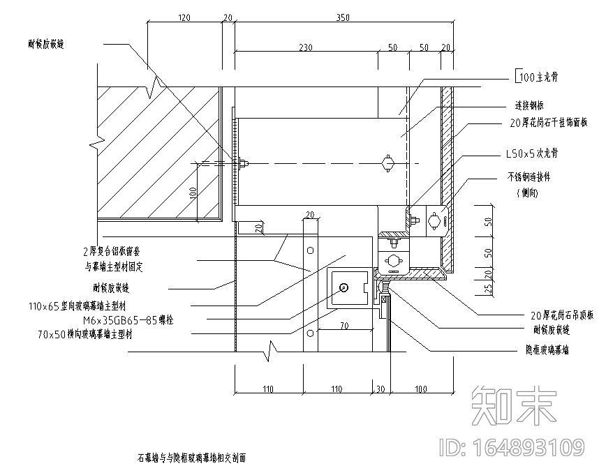
常用型铝板幕墙和石材幕墙节点大样详图24套(CAD...
ID: 164893109
复制
上传作者
162396754
162396754上传时间2020-06-23
文件大小0.34M
设计风格:其他
CAD版本:CAD2000
包含文件:CAD
授权普通
立即下载
收藏
分享
举报
相关推荐
综合
结构节点图
幕墙结构节点
桁架
钢结构节点
混凝土节点
转换层
其他结构设计


162396754上传时间2020-06-23
文件大小0.34M
设计风格:其他
CAD版本:CAD2000
包含文件:CAD
授权普通