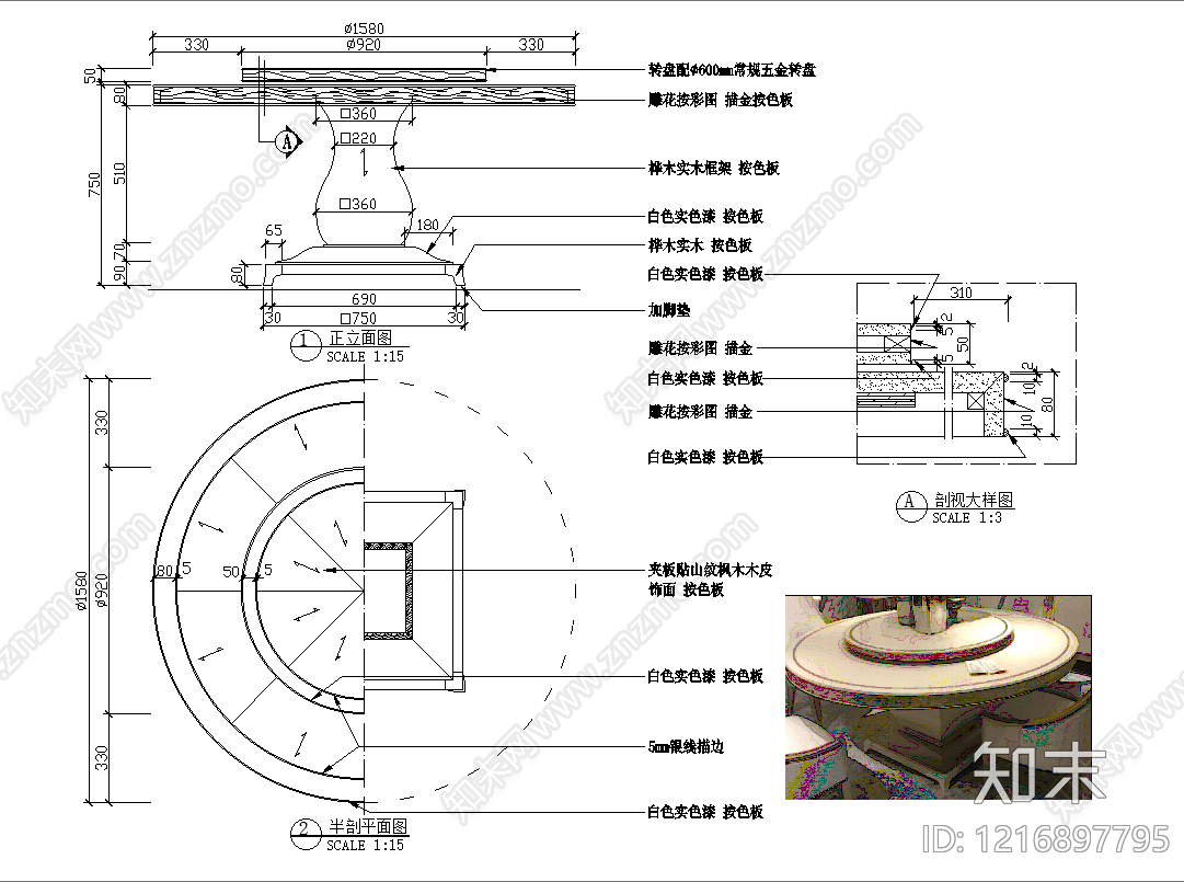
意式桌子施工图下载【ID:1216897795】

意式桌子CAD下载

ID: 1216897795
复制
上传作者
 莫問羽飛 莫問羽飛

上传时间2026-04-24

文件大小0.83M

设计风格:--

CAD版本:CAD2009

包含文件:CAD

授权独家

立即下载
收藏
分享
举报
相关推荐
综合
家具图库
桌子
沙发
桌椅
吧台
柜子
榻榻米
椅子
遮阳伞