1/3


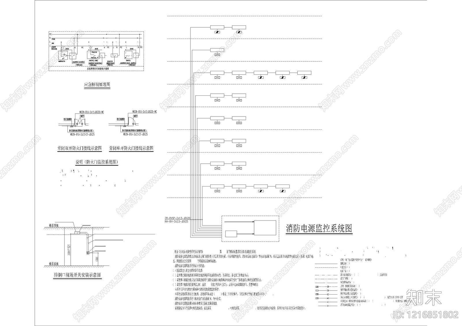
火灾报警系统CAD下载
ID: 1216851802
复制
上传作者
小趴菜园
小趴菜园上传时间2026-04-24
文件大小1.11M
设计风格:--
CAD版本:CAD2004
包含文件:CAD
授权独家
立即下载
收藏
分享
举报
相关推荐
综合
消防设施
火灾报警系统
灭火系统
消火栓系统
防排烟系统
疏散照明系统
消防设备布置
建筑剖面图块库
设备图块库
绿化图块库


小趴菜园上传时间2026-04-24
文件大小1.11M
设计风格:--
CAD版本:CAD2004
包含文件:CAD
授权独家