CAD频道
CAD图库
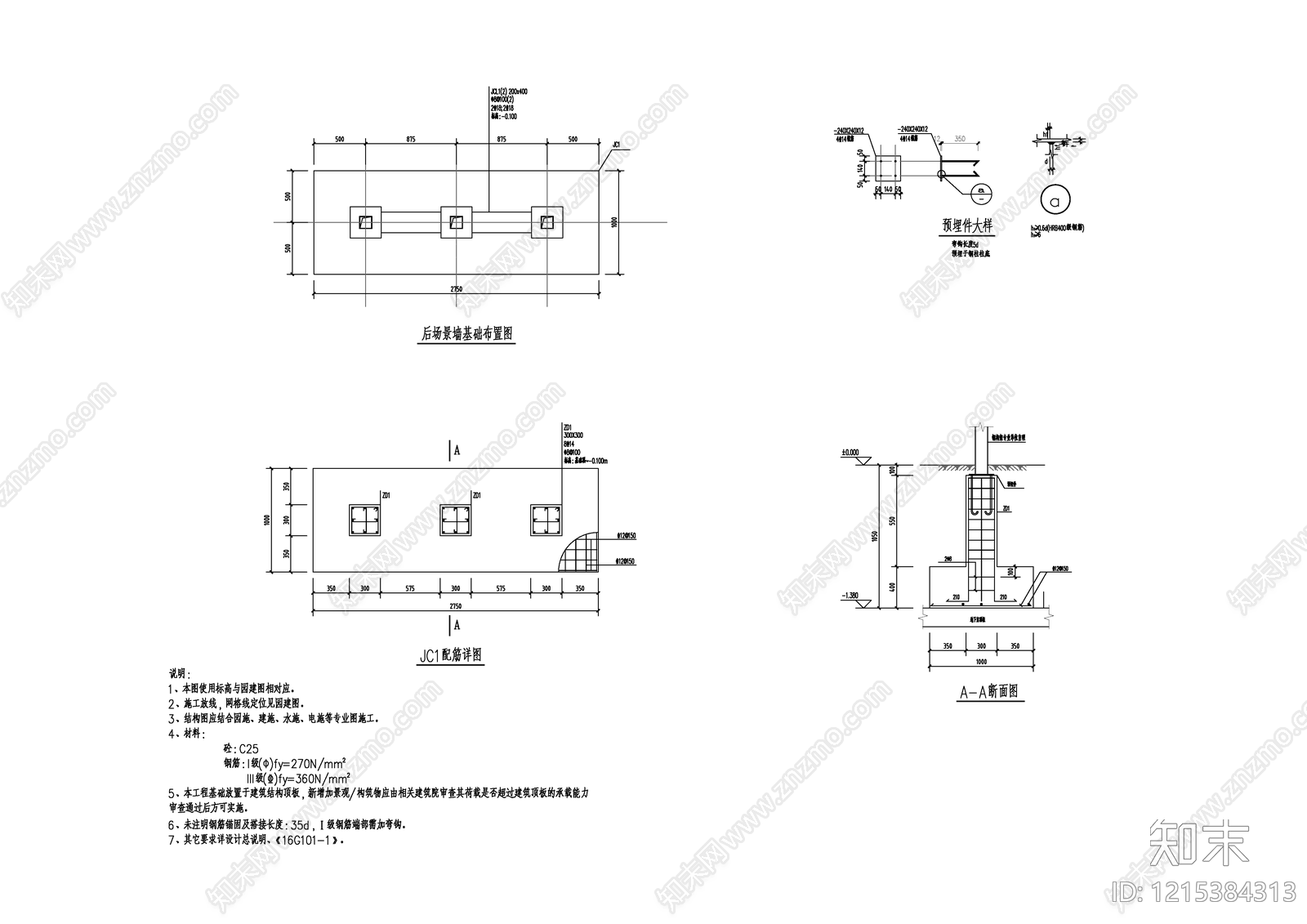
现代景墙 钢柱干挂景墙 点挂PC砖 干挂景墙 施工图
1/
2
Previous
Next
现代景墙CAD下载
ID: 1215384313
复制
上传作者
景观施工图互粉
上传时间
2026-03-29
文件大小
0.87M
设计风格:
--
CAD版本:
CAD2012
包含文件:
CAD
授权
独家
立即下载
收藏
分享
举报
相关推荐
综合
景观小品
景墙
亭子
廊架
综合景观小品
雨棚
围墙
挡土墙
入口
景观坐凳