CAD频道
CAD图库
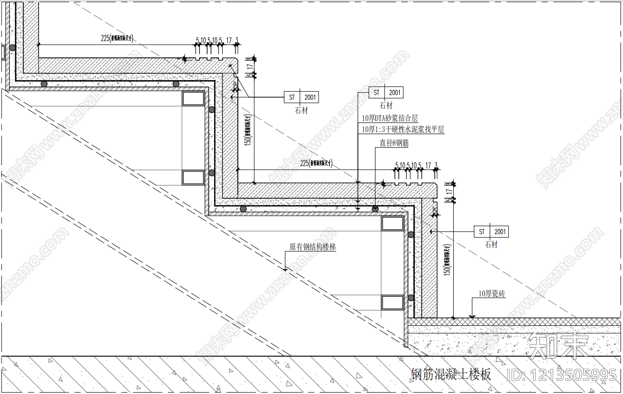
现代极简楼梯节点 原钢梯装饰剖面 钢梯踏步节点 钢梯栏杆节点 施工图
1/
2
Previous
Next
现代极简楼梯节点CAD下载
ID: 1213505995
复制
上传作者
MUMU
上传时间
2026-03-17
文件大小
0.1M
设计风格:
--
CAD版本:
CAD2007
包含文件:
CAD
授权
独家
立即下载
收藏
分享
举报
相关推荐
综合
节点详图
楼梯节点
吊顶节点
墙面节点
地面节点
门节点
其他节点详图
建筑工程节点
景观小品
水景