1/4


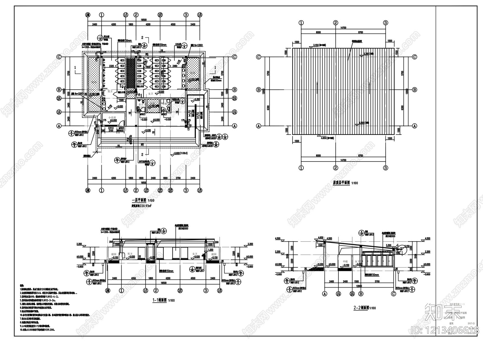
现代公厕CAD下载
ID: 1213406618
复制
上传作者
常威打来福
常威打来福上传时间2026-03-14
文件大小0.33M
设计风格:--
CAD版本:天正建筑 2021
包含文件:CAD
授权独家
立即下载
收藏
分享
举报
相关推荐
综合
公共建筑
公厕
会议中心建筑
行政机构建筑
其他公共建筑
医院建筑
门卫室建筑
停车楼
消防站
集装箱


常威打来福上传时间2026-03-14
文件大小0.33M
设计风格:--
CAD版本:天正建筑 2021
包含文件:CAD
授权独家