CAD频道
CAD图库
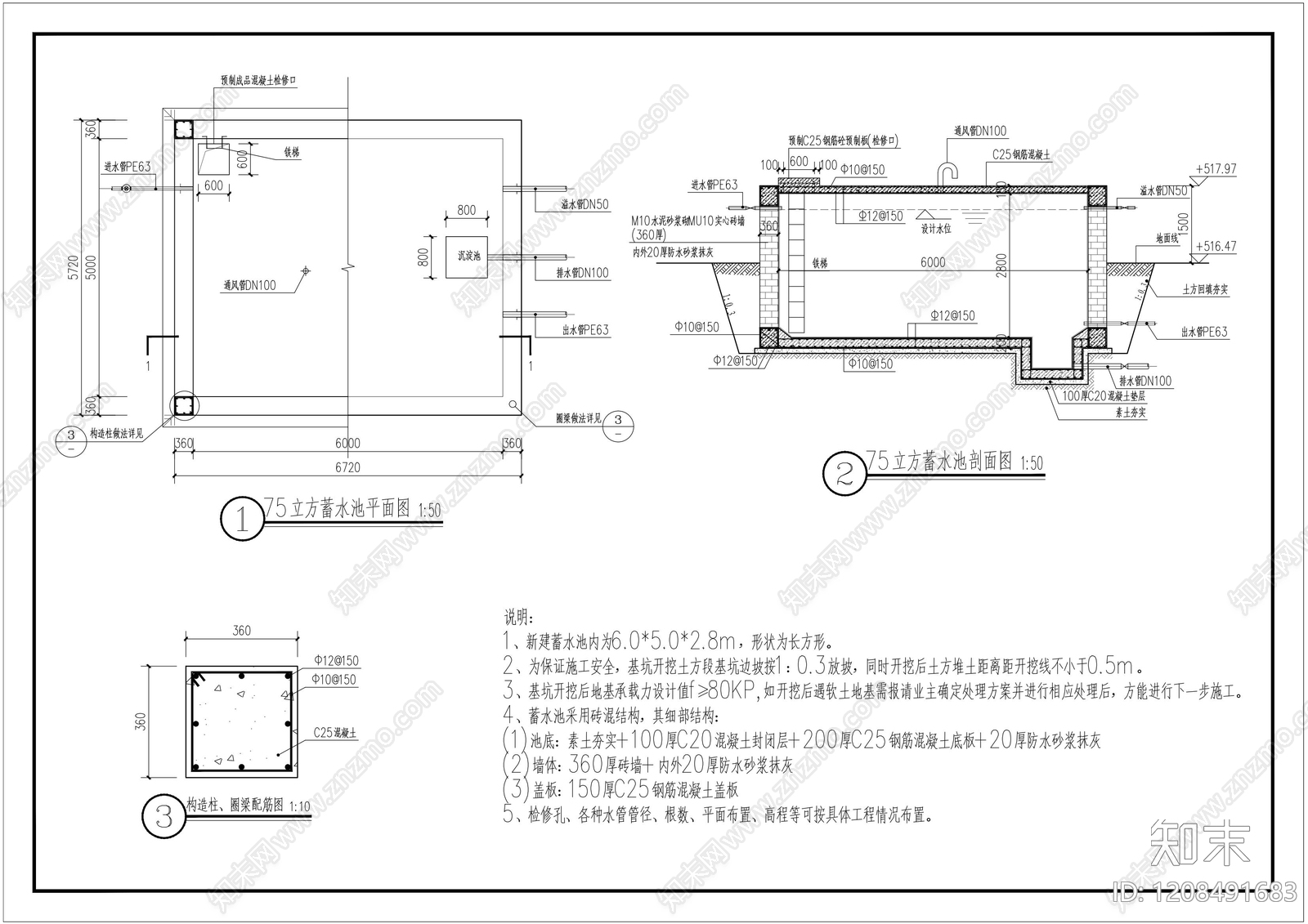
市政给排水 75立方蓄水池 砖混结构 施工图
市政给排水CAD下载
ID: 1208491683
复制
上传作者
D·威斯曼
上传时间
2026-01-19
文件大小
0.4M
设计风格:
--
CAD版本:
CAD2014
包含文件:
CAD
授权
独家
立即下载
收藏
分享
举报
相关推荐
综合
给排水图
市政给排水
景观给排水
其他给排水