1/9


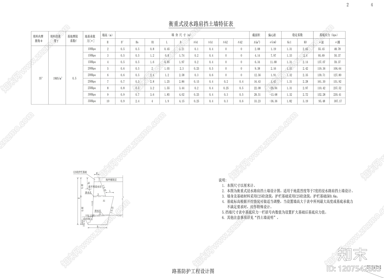
挡土墙CAD下载
ID: 1207542603
复制
上传作者
李某的某(关注必回)
李某的某(关注必回)上传时间2025-12-30
文件大小28.74M
设计风格:--
CAD版本:天正建筑 2014
包含文件:CAD
授权独家
立即下载
收藏
分享
举报
相关推荐
综合
墙体构件
挡土墙
外墙构造
内墙构造
幕墙系统
砌体墙
轻质隔墙
剪力墙
夹芯墙


李某的某(关注必回)上传时间2025-12-30
文件大小28.74M
设计风格:--
CAD版本:天正建筑 2014
包含文件:CAD
授权独家