CAD频道
CAD图库
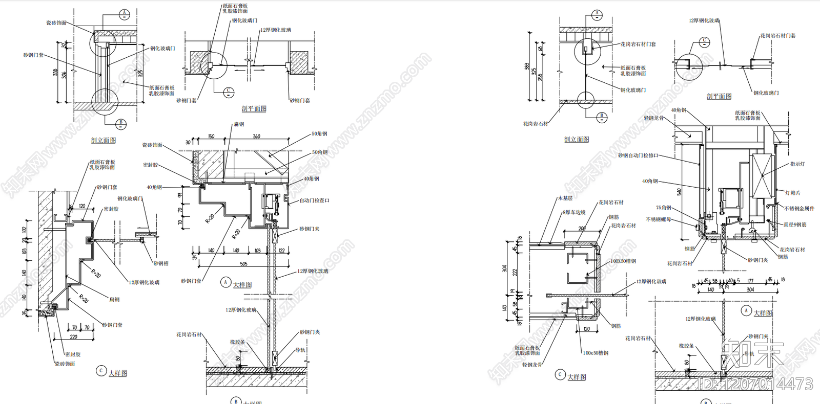
玻璃门节点 电动感应玻璃门 电动感应门节点 玻璃感应门节点 电动玻璃门大...
玻璃门节点CAD下载
ID: 1207014473
复制
上传作者
MUMU
上传时间
2025-12-20
文件大小
0.2M
设计风格:
--
CAD版本:
CAD2007
包含文件:
CAD
授权
独家
立即下载
收藏
分享
举报
相关推荐
综合
门节点
玻璃门节点
入户门
铁艺大门
月洞门
推拉门节点
隐形门节点
综合门节点