CAD频道
CAD图库
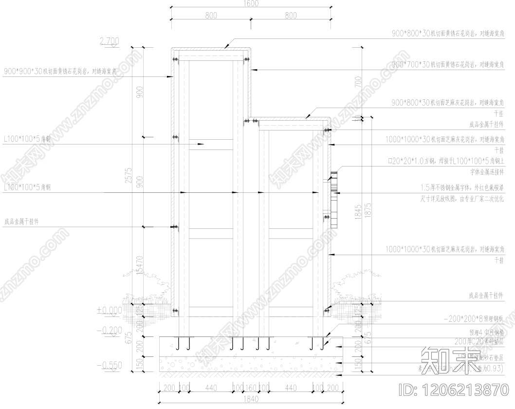
厂房景观 厂区大门图纸 景观毕业设计 风景园林 厂区景观 施工图
1/
5
Previous
Next
厂房景观CAD下载
ID: 1206213870
复制
上传作者
设计总监金辉
上传时间
2025-11-28
文件大小
4.05M
设计风格:
--
CAD版本:
天正建筑 2020
包含文件:
CAD
授权
独家
立即下载
收藏
分享
举报
相关推荐
综合
景观小品
景墙
亭子
廊架
综合景观小品
雨棚
围墙
挡土墙
入口
景观坐凳