CAD频道
CAD图库
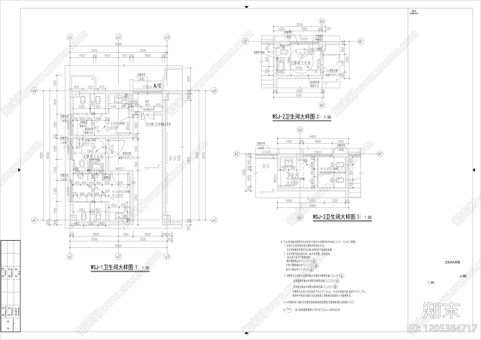
其他类型图纸 楼梯大样图 卫生间施工详图 墙身大样详图 楼梯施工详图 电...
1/
8
Previous
Next
其他类型图纸CAD下载
ID: 1205384717
复制
上传作者
三国一路
上传时间
2025-11-05
文件大小
21.49M
设计风格:
--
CAD版本:
CAD2005
包含文件:
CAD
授权
独家
立即下载
收藏
分享
举报
相关推荐
综合
其他图纸
其他类型图纸
三视图
吊顶图
水电图