CAD频道
CAD图库
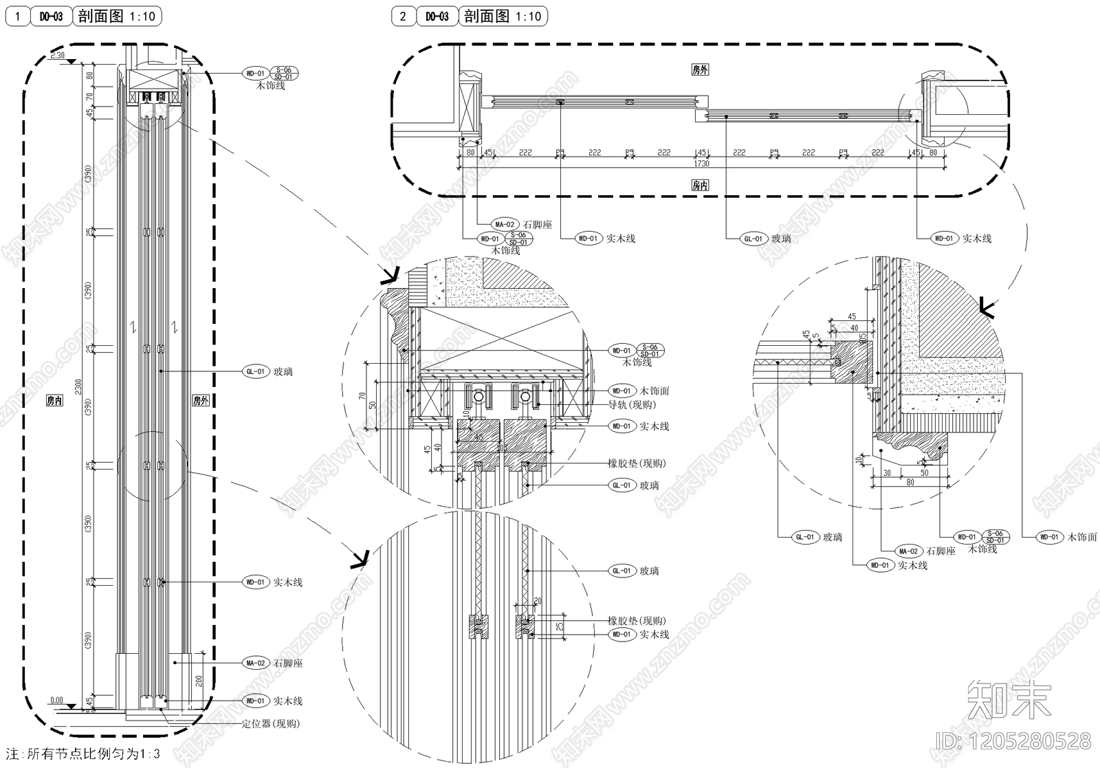
推拉门节点 欧式玻璃推拉门 玻璃推拉门 玻璃趟门 玻璃移门 厨房玻璃移门...
1/
3
Previous
Next
推拉门节点CAD下载
ID: 1205280528
复制
上传作者
黑色幽默(互粉)
上传时间
2025-11-03
文件大小
0.11M
设计风格:
--
CAD版本:
CAD2004
包含文件:
CAD
授权
独家
立即下载
收藏
分享
举报
相关推荐
综合
门节点
推拉门节点
入户门
铁艺大门
月洞门
玻璃门节点
隐形门节点
综合门节点