CAD频道
CAD图库
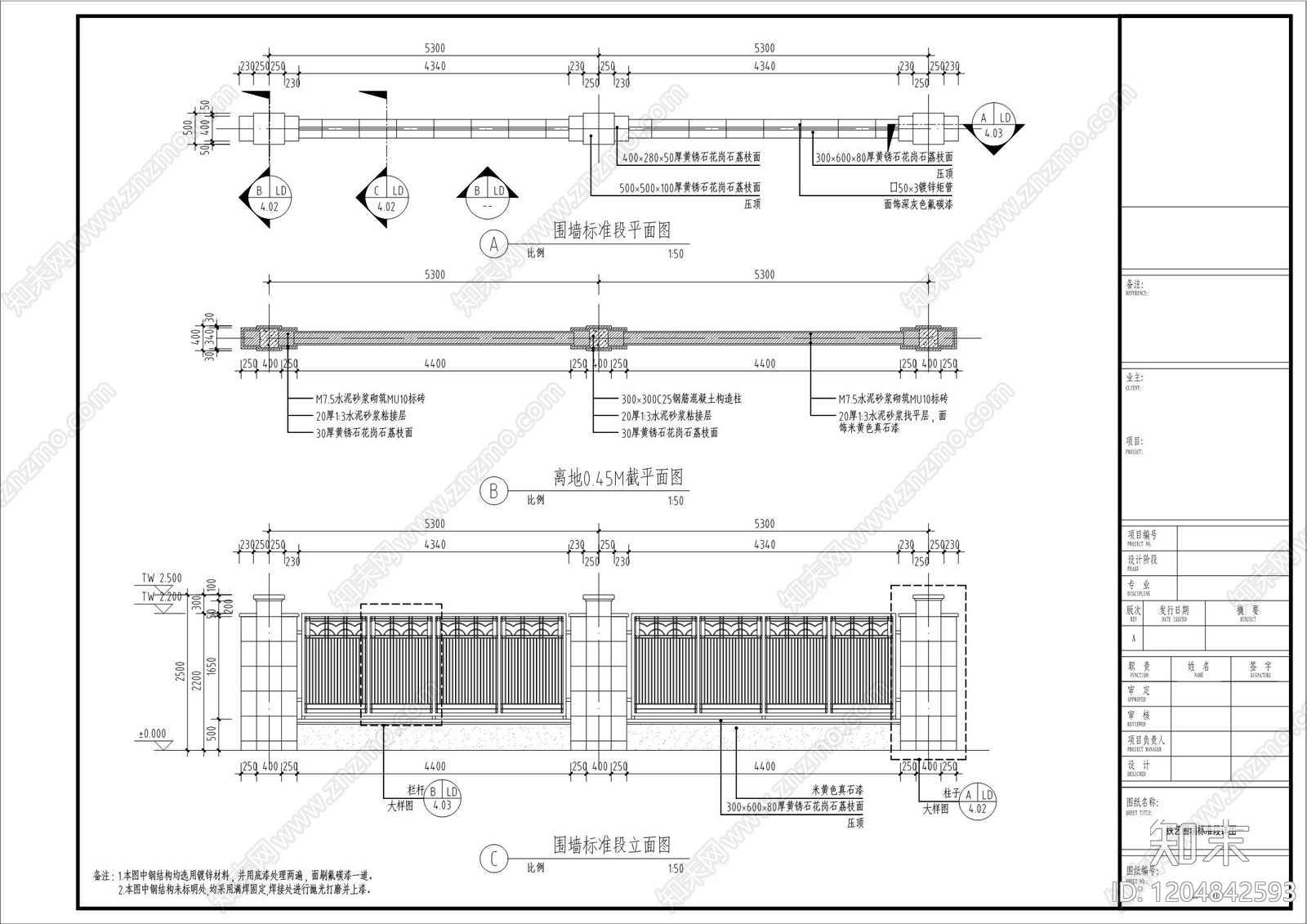
法式欧式围墙 欧式镂空铁艺围墙 法式围墙 施工图
1/
4
Previous
Next
法式欧式围墙CAD下载
ID: 1204842593
复制
上传作者
ID:64824478
上传时间
2025-10-20
文件大小
0.65M
设计风格:
--
CAD版本:
--
包含文件:
CAD
授权
独家
立即下载
收藏
分享
举报
相关推荐
综合
景观小品
围墙
亭子
廊架
景墙
综合景观小品
雨棚
挡土墙
入口
景观坐凳