CAD频道
CAD图库
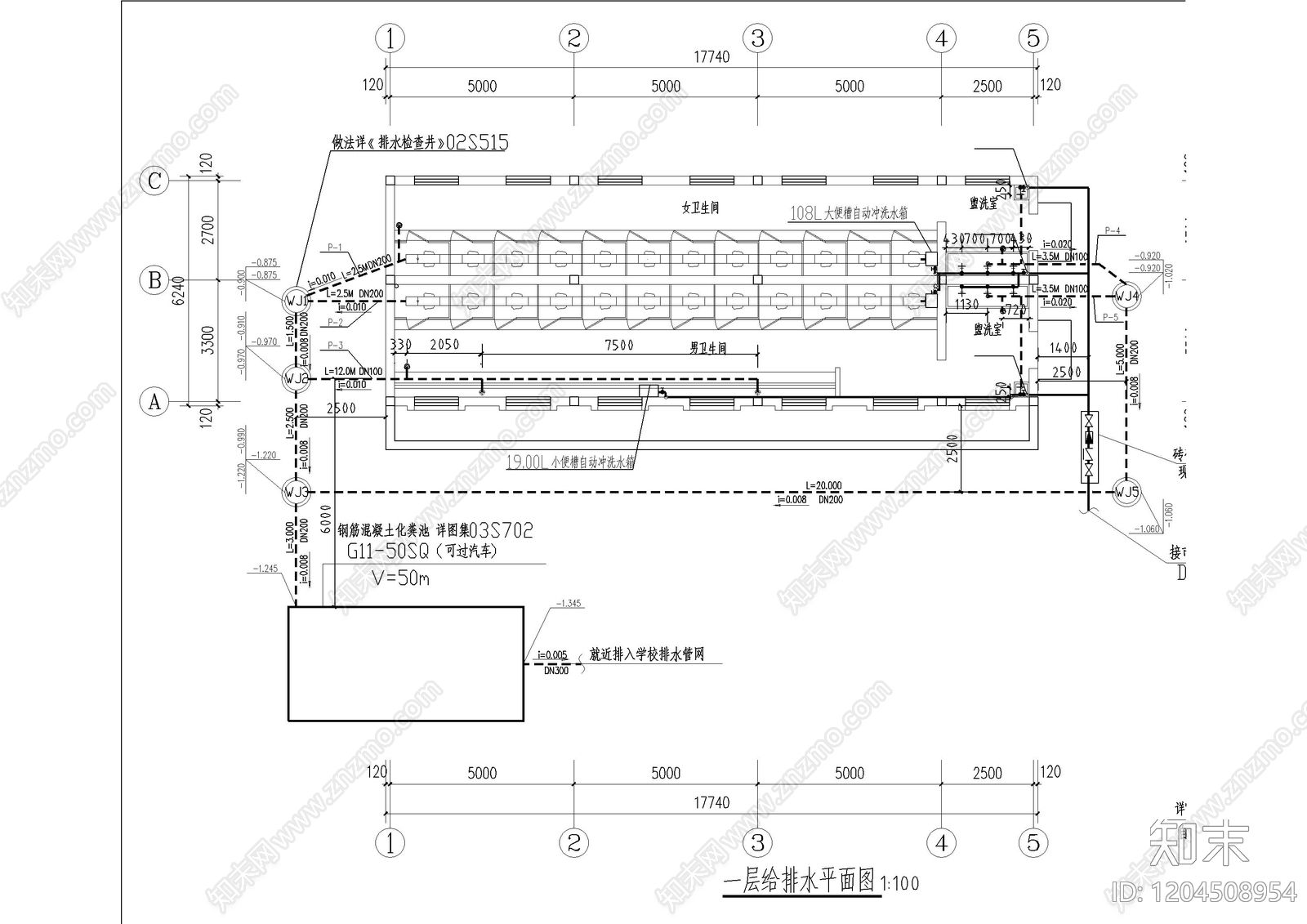
电气图 公共卫生间水电 施工图
1/
2
Previous
Next
电气图CAD下载
ID: 1204508954
复制
上传作者
小趴菜园
上传时间
2025-10-10
文件大小
1.34M
设计风格:
--
CAD版本:
CAD2004
包含文件:
CAD
授权
独家
立即下载
收藏
分享
举报
相关推荐
综合
电气图
景观电气