CAD频道
CAD图库
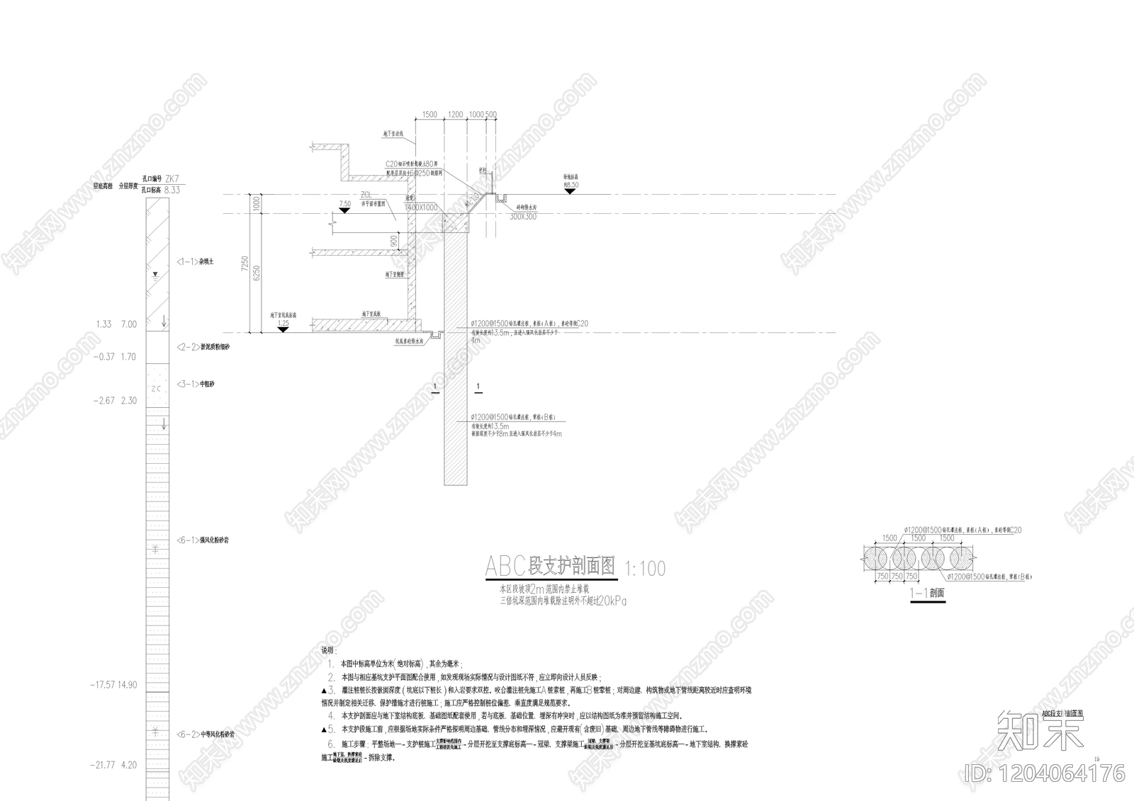
其他类型图纸 基坑支护大样图 基坑支护节点详图 基坑支护构造做法 锚索设...
1/
10
Previous
Next
其他类型图纸CAD下载
ID: 1204064176
复制
上传作者
三国一路
上传时间
2025-09-22
文件大小
6.85M
设计风格:
--
CAD版本:
CAD2004
包含文件:
CAD
授权
独家
立即下载
收藏
分享
举报
相关推荐
综合
其他图纸
其他类型图纸
三视图
吊顶图
水电图