CAD频道
CAD图库
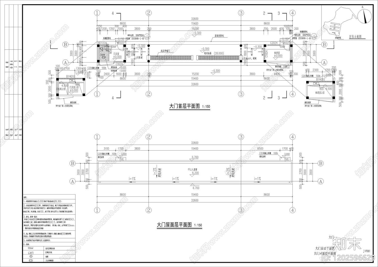
其他类型图纸 大门入口布置图 保安亭 大门口 大门入口详图 保安亭与电动...
1/
3
Previous
Next
其他类型图纸CAD下载
ID: 1202596629
复制
上传作者
三国一路
上传时间
2025-08-13
文件大小
1.36M
设计风格:
--
CAD版本:
CAD2004
包含文件:
CAD
授权
独家
立即下载
收藏
分享
举报
相关推荐
综合
其他图纸
其他类型图纸
三视图
吊顶图
水电图