1/10


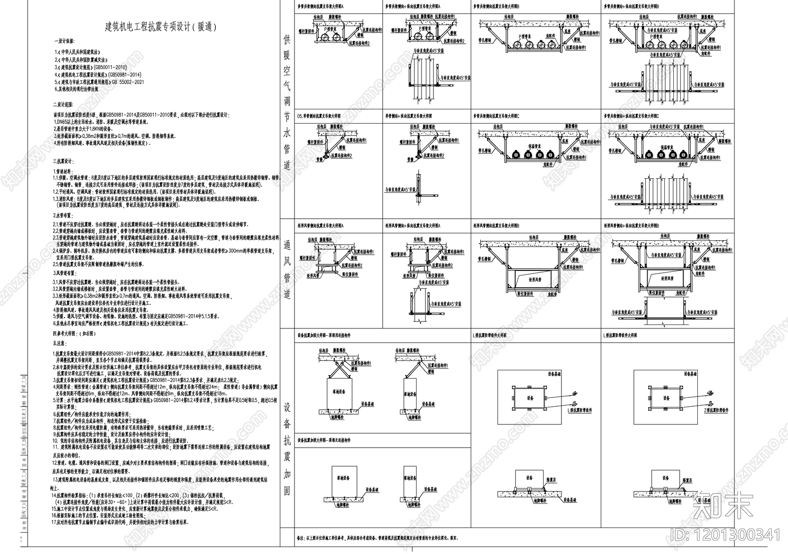
防排烟系统CAD下载
ID: 1201300341
复制
上传作者
巴迪咔哇
巴迪咔哇上传时间2025-07-16
文件大小16.46M
设计风格:--
CAD版本:CAD2024
包含文件:CAD
授权独家
立即下载
收藏
分享
举报
相关推荐
综合
暖通空调
防排烟系统
空调系统
采暖系统
通风系统
净化空调系统
冷热源系统
自控系统
暖通机房
风口系统


巴迪咔哇上传时间2025-07-16
文件大小16.46M
设计风格:--
CAD版本:CAD2024
包含文件:CAD
授权独家