CAD频道
CAD图库
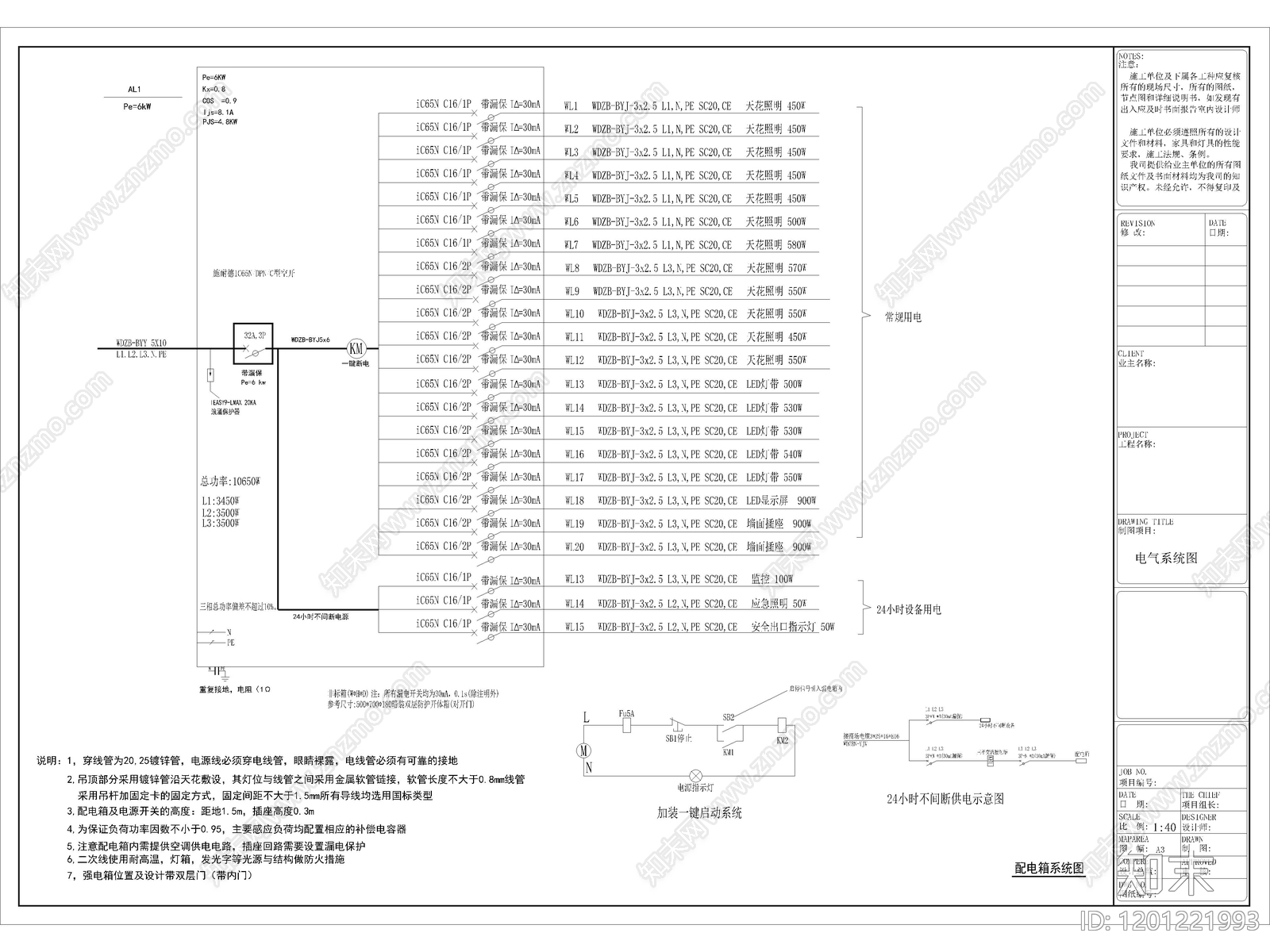
水电图 展厅配电系统图 电路图 施工图
1/
2
Previous
Next
水电图CAD下载
ID: 1201221993
复制
上传作者
裁缝匠老张
上传时间
2025-07-14
文件大小
0.08M
设计风格:
--
CAD版本:
CAD2014
包含文件:
CAD
授权
独家
立即下载
收藏
分享
举报
相关推荐
综合
其他图纸
水电图
三视图
吊顶图
其他类型图纸