CAD频道
CAD图库
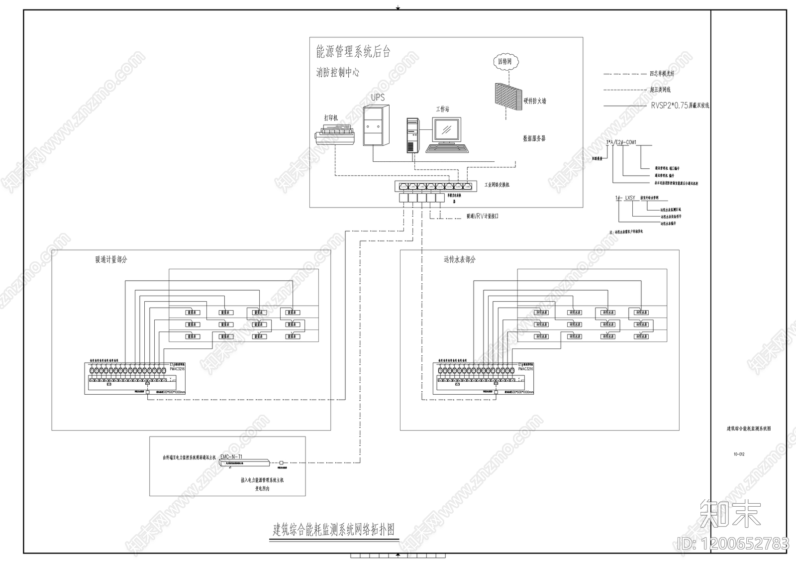
电气图 弱电图 系统图 科研楼弱电系统图 施工图
1/
10
Previous
Next
电气图CAD下载
ID: 1200652783
复制
上传作者
TXDC
上传时间
2025-07-01
文件大小
1.05M
设计风格:
--
CAD版本:
--
包含文件:
CAD
授权
独家
立即下载
收藏
分享
举报
相关推荐
综合
电气图
景观电气