CAD频道
CAD图库
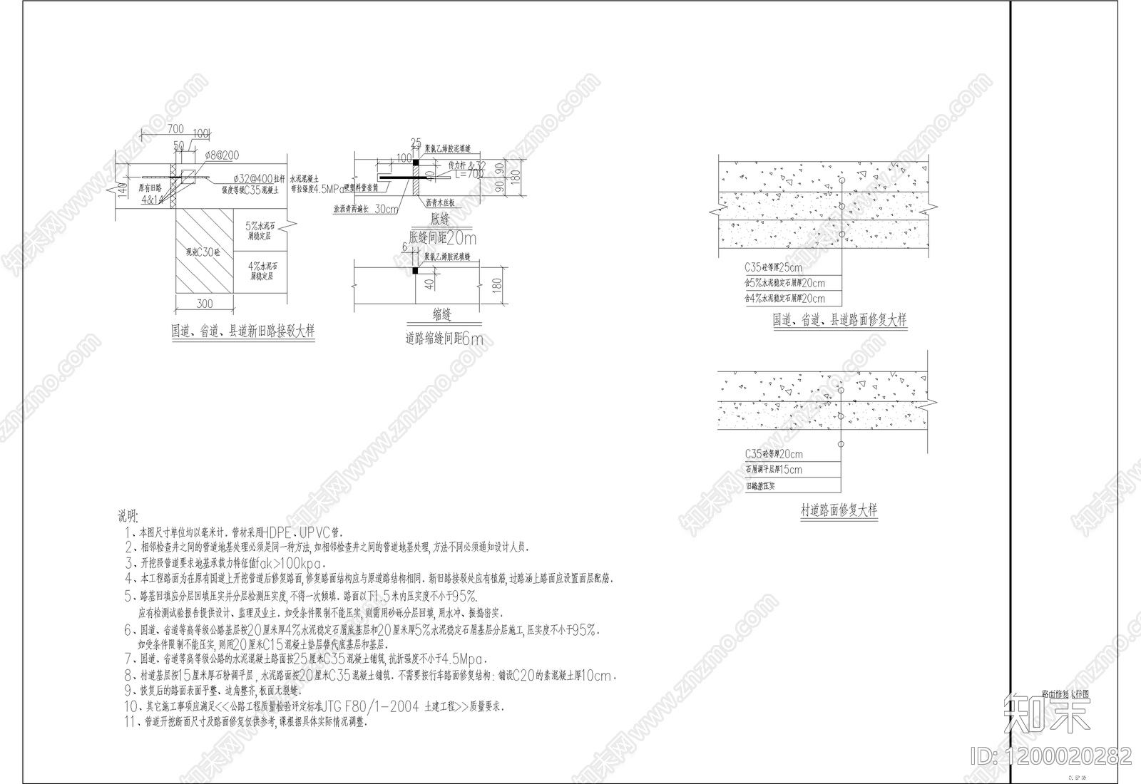
其他给排水 污水管网工程大样 施工图
1/
6
Previous
Next
其他给排水CAD下载
ID: 1200020282
复制
上传作者
yifangmuyu(互关)
上传时间
2025-06-18
文件大小
1.91M
设计风格:
--
CAD版本:
CAD2018
包含文件:
CAD
授权
独家
立即下载
收藏
分享
举报
相关推荐
综合
给排水图
其他给排水
景观给排水
市政给排水