1/8


水处理CAD下载
ID: 1198840901
复制
上传作者
承诺不熬椰
承诺不熬椰上传时间2025-06-10
文件大小3.51M
设计风格:--
CAD版本:CAD2004
包含文件:CAD
授权独家
立即下载
收藏
分享
举报
相关推荐
综合
机电工程
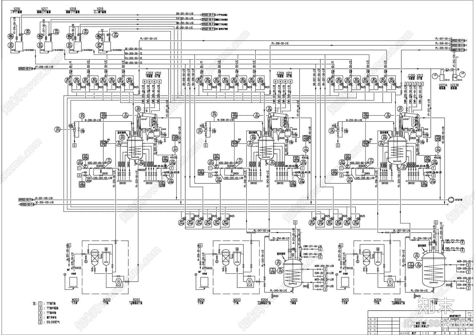
水处理
给排水图
暖通空调
电气图
电气工程节点
消防设施
机械设备
其他机电图纸
建筑给排水


承诺不熬椰上传时间2025-06-10
文件大小3.51M
设计风格:--
CAD版本:CAD2004
包含文件:CAD
授权独家