CAD频道
CAD图库
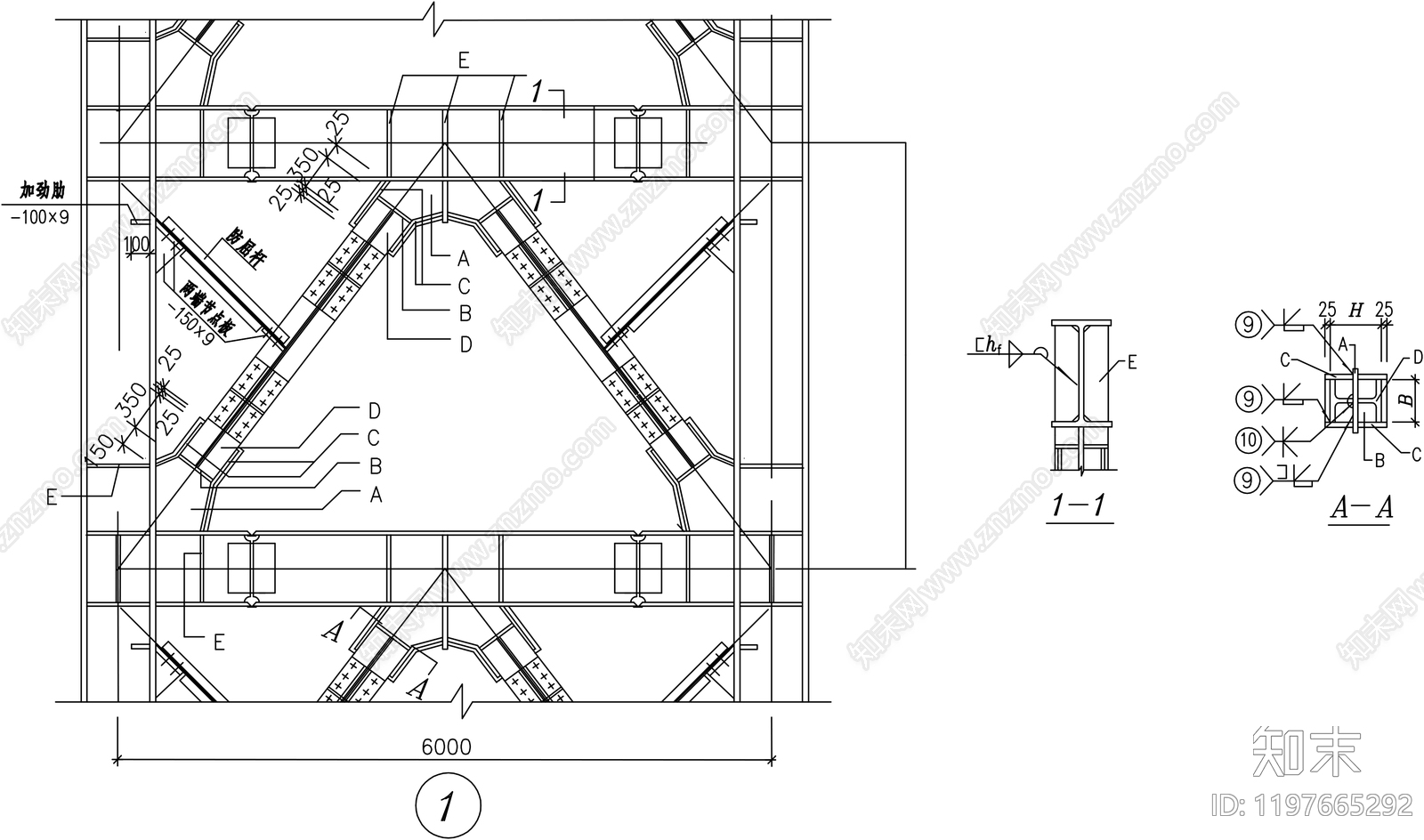
钢结构节点 人字形 钢支撑连接 节点构造详图 施工图
钢结构节点CAD下载
ID: 1197665292
复制
上传作者
用户f4c4d0
上传时间
2025-06-02
文件大小
0.69M
设计风格:
--
CAD版本:
CAD2014
包含文件:
CAD
授权
独家
立即下载
收藏
分享
举报
相关推荐
综合
结构节点图
钢结构节点
桁架
混凝土节点
幕墙结构节点
转换层
其他结构设计