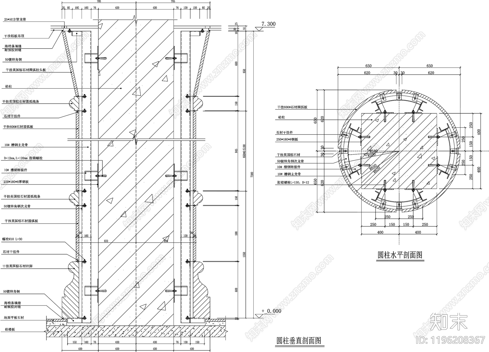
柱子节点施工图下载【ID:1196208367】

柱子节点CAD下载

ID: 1196208367
复制
上传作者
用户f4c4d0用户f4c4d0

上传时间2025-05-22

文件大小1.03M

设计风格:--

CAD版本:--

包含文件:CAD

授权独家

立即下载
收藏
分享
举报
相关推荐
综合
建筑工程节点
柱子节点
屋顶
吊装节点
斗拱节点
楼板节点
女儿墙节点
塔吊节点
天窗节点
屋檐节点