CAD频道
CAD图库
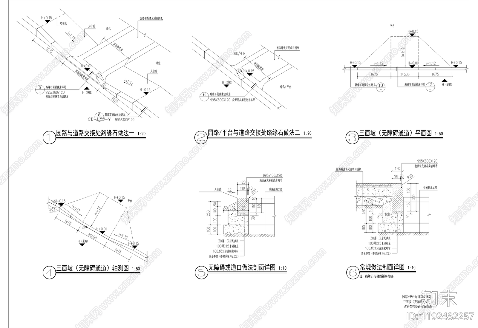
现代坡道 无障碍通道节点图 三面坡做法 市政无障碍做法 施工图
现代坡道CAD下载
ID: 1192482257
复制
上传作者
二号156(互关回粉)
上传时间
2025-04-20
文件大小
0.31M
设计风格:
--
CAD版本:
CAD2018
包含文件:
CAD
授权
独家
立即下载
收藏
分享
举报
相关推荐
综合
景观小品
坡道
亭子
廊架
景墙
综合景观小品
雨棚
围墙
挡土墙
入口