CAD频道
CAD图库
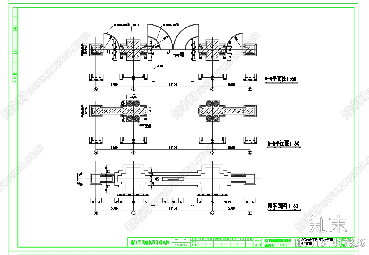
现代新中式入口 小区大门结构做法 厂区公司单位大门 入口大门详细施工 施...
1/
4
Previous
Next
现代新中式入口CAD下载
ID: 1191417856
复制
上传作者
有野不加糖
上传时间
2025-04-09
文件大小
1.39M
设计风格:
--
CAD版本:
天正CAD7.0
包含文件:
CAD
授权
独家
立即下载
收藏
分享
举报
相关推荐
综合
景观小品
入口
亭子
廊架
景墙
综合景观小品
雨棚
围墙
挡土墙
景观坐凳