CAD频道
CAD图库
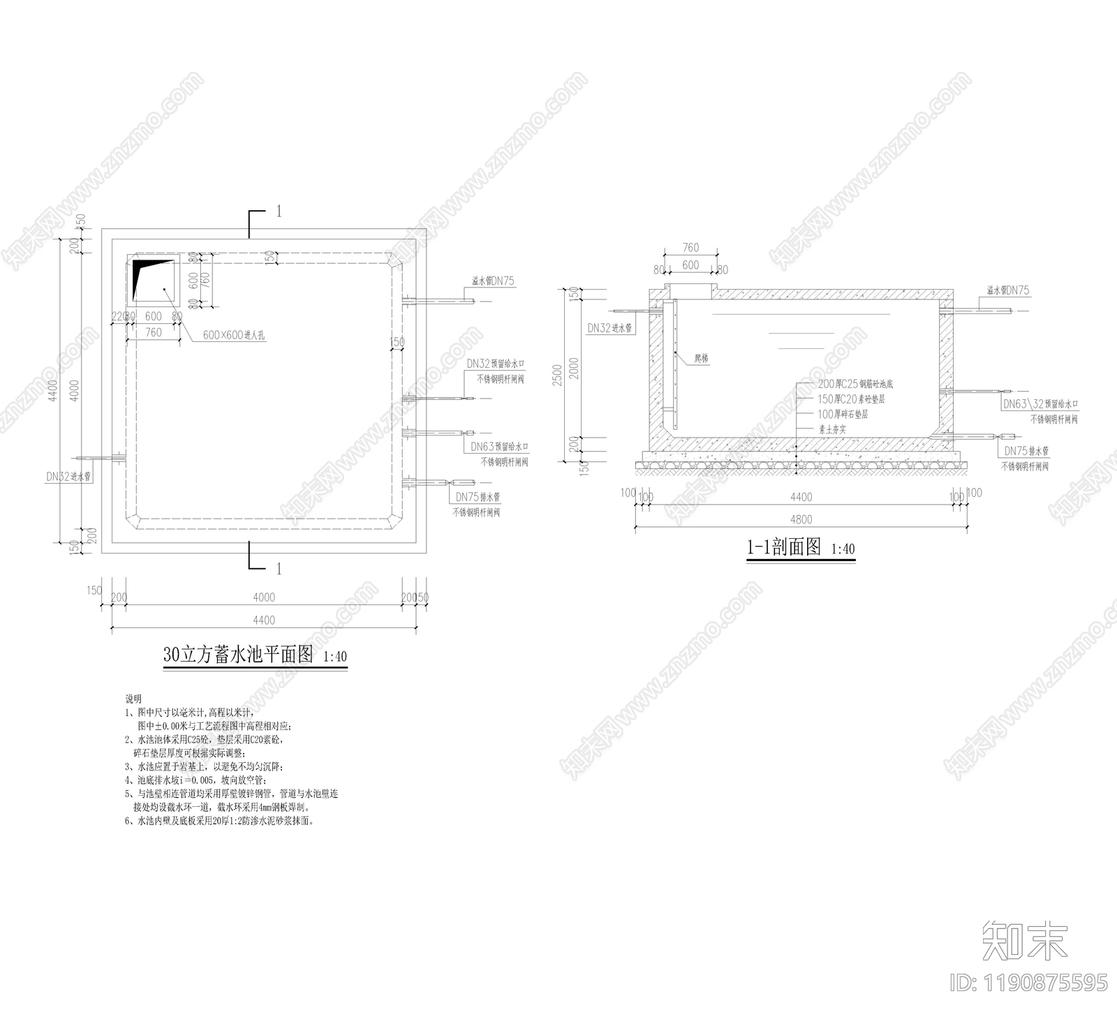
市政给排水 30立方蓄水池 正方形蓄水池 施工图
1/
2
Previous
Next
市政给排水CAD下载
ID: 1190875595
复制
上传作者
D·威斯曼
上传时间
2025-04-03
文件大小
0.04M
设计风格:
--
CAD版本:
CAD2004
包含文件:
CAD
授权
独家
立即下载
收藏
分享
举报
相关推荐
综合
给排水图
市政给排水
景观给排水
其他给排水