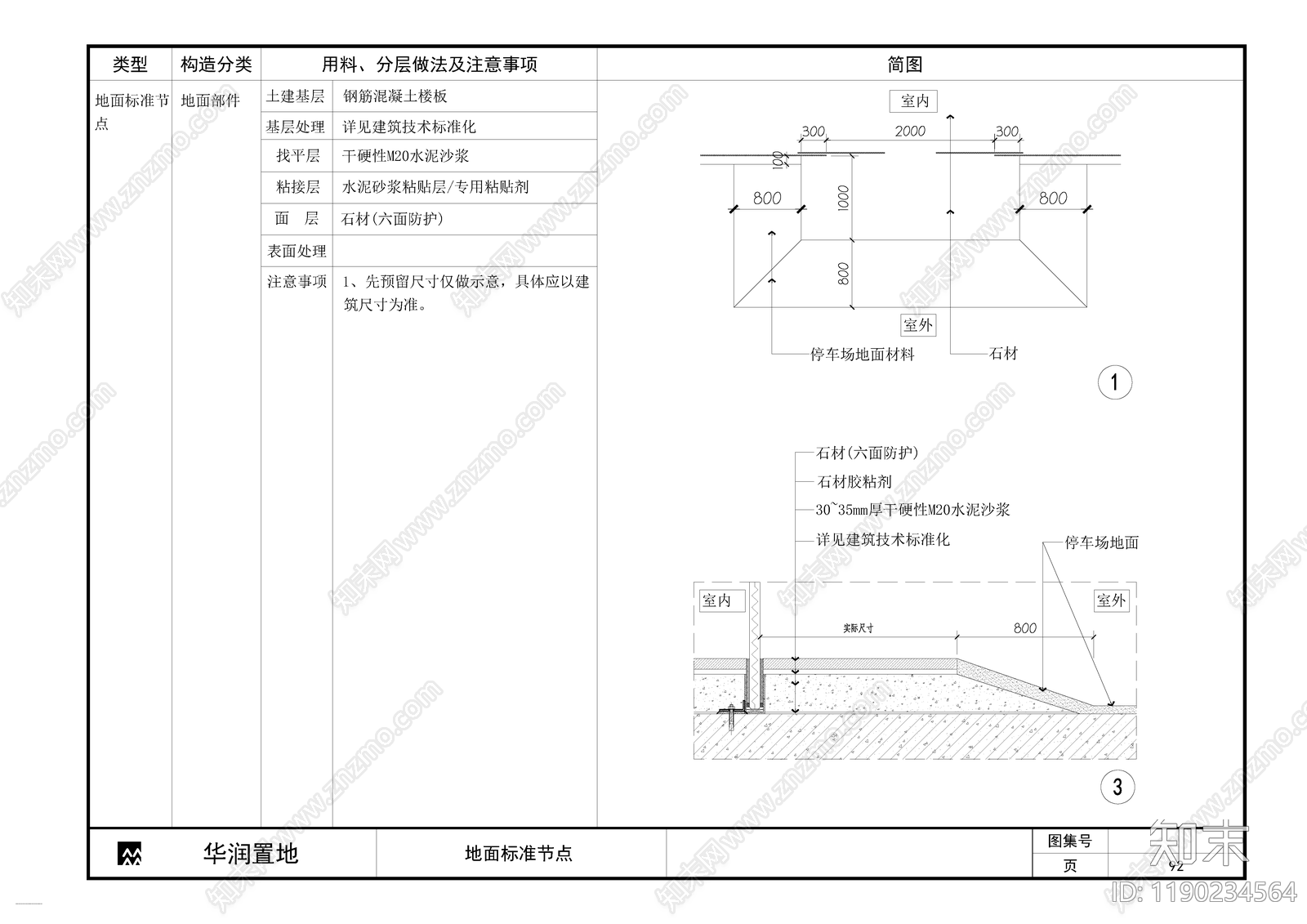
门槛石节点施工图下载【ID:1190234564】

门槛石节点CAD下载

ID: 1190234564
复制
上传作者
MM

上传时间2025-03-28

文件大小1.18M

设计风格:--

CAD版本:CAD2007

包含文件:CAD

授权独家

立即下载
收藏
分享
举报
相关推荐
综合
地面节点
门槛石节点
地坪漆
地台节点
地毯节点
路面节点
木地板
花岗岩
地面综合节点