CAD频道
CAD图库
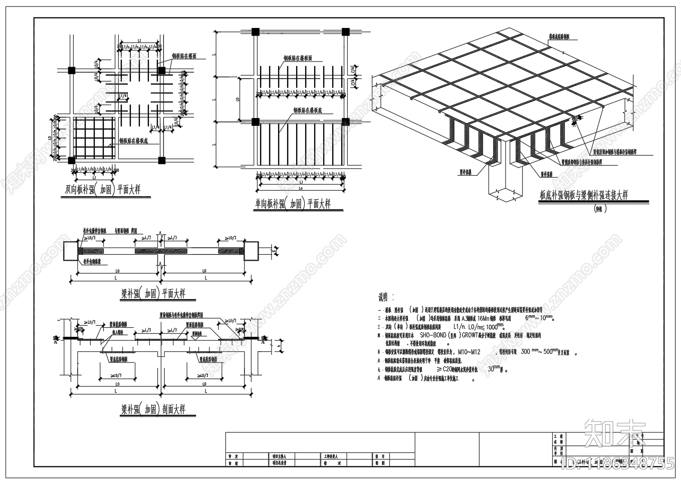
现代其他节点详图 梁板补强钢板加固 楼板补强加固大样 梁钢板补强加固 施...
现代其他节点详图CAD下载
ID: 1186348755
复制
上传作者
小小鱼鱼
上传时间
2025-02-19
文件大小
0.11M
设计风格:
--
CAD版本:
CAD2004
包含文件:
CAD
授权
独家
立即下载
收藏
分享
举报
相关推荐
综合
节点详图
其他节点详图
吊顶节点
墙面节点
地面节点
门节点
建筑工程节点
景观小品
楼梯节点
水景