CAD频道
CAD图库
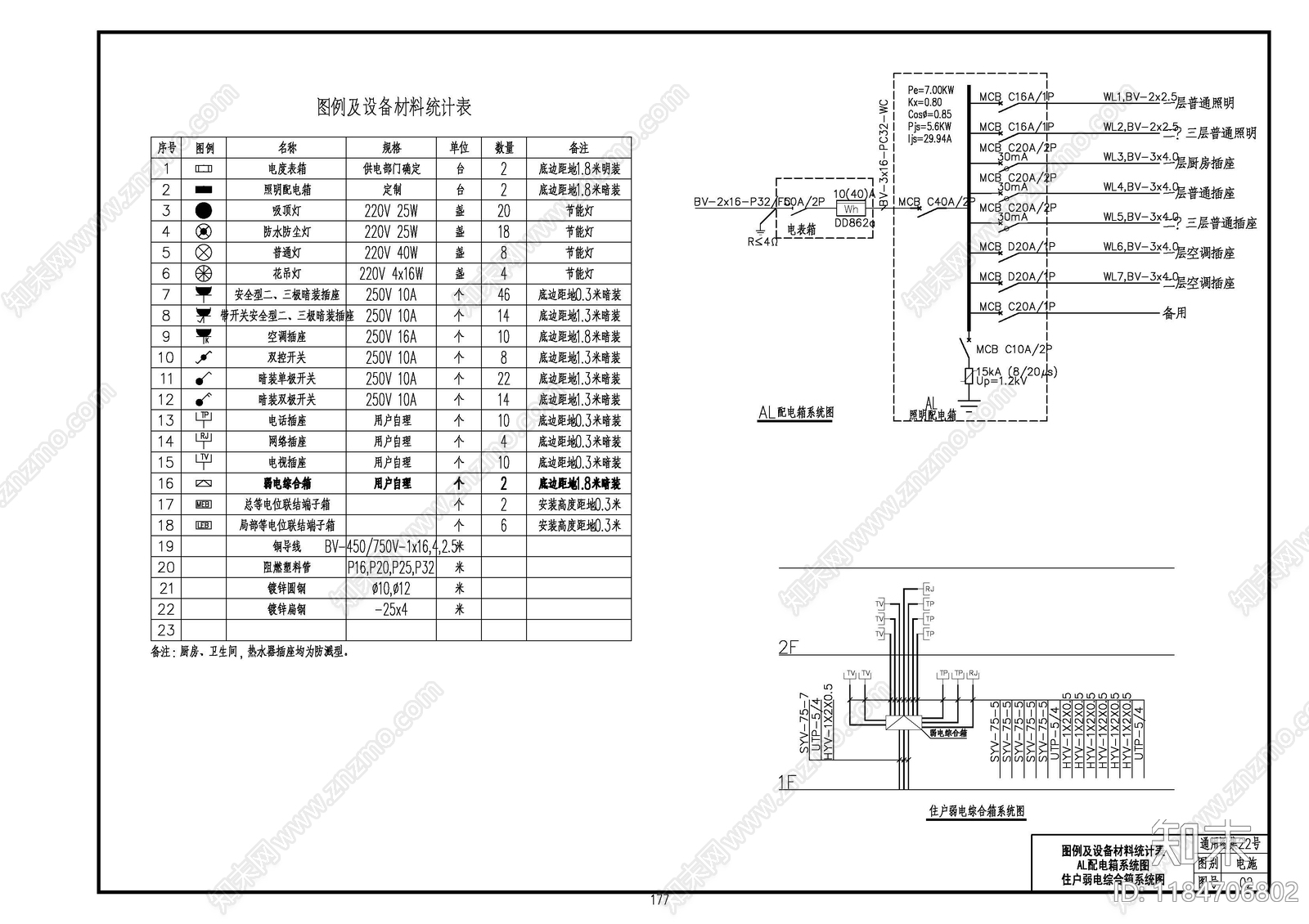
现代设计说明 现代别墅给排水 施工图
1/
3
Previous
Next
现代设计说明CAD下载
ID: 1184706802
复制
上传作者
xin图
上传时间
2025-01-20
文件大小
1.57M
设计风格:
--
CAD版本:
CAD2004
包含文件:
CAD
授权
独家
立即下载
收藏
分享
举报
相关推荐
综合
制图规范
设计说明
图例
字体
指北针
图框
索引图
封面
图表
罗盘