CAD频道
CAD图库
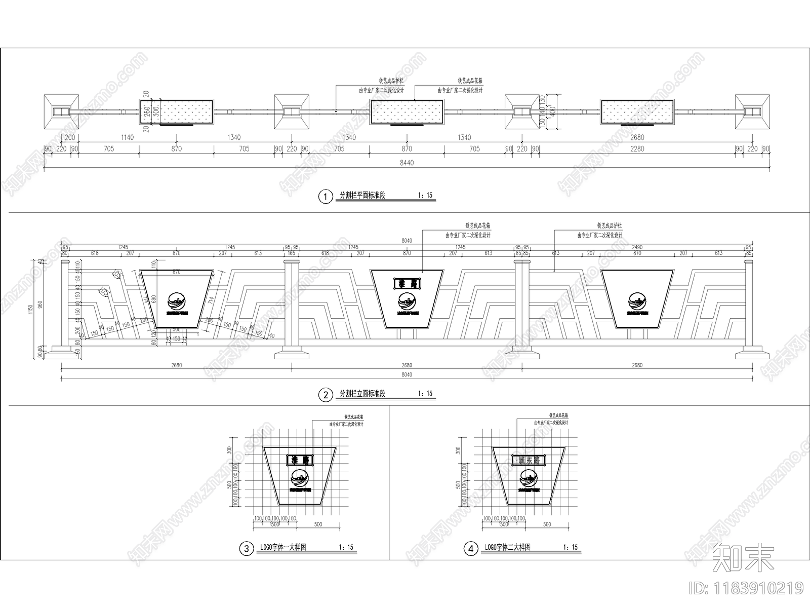
现代栏杆 车道分割栏 分隔栏杆 隔离栏杆 老城更新改造栏杆 防护栏 施工...
现代栏杆CAD下载
ID: 1183910219
复制
上传作者
哪吒闹海(互粉)
上传时间
2025-01-08
文件大小
0.29M
设计风格:
--
CAD版本:
天正CAD3.0
包含文件:
CAD
授权
独家
立即下载
收藏
分享
举报
相关推荐
综合
景观小品
栏杆
亭子
廊架
景墙
综合景观小品
雨棚
围墙
挡土墙
入口