CAD频道
CAD图库
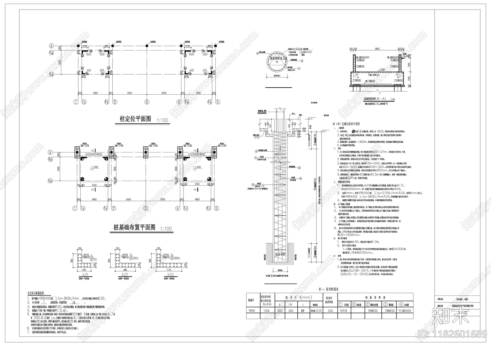
其他结构设计 电梯基础大样图 柱定位平面图 柱配筋大样图 电梯结构布置平...
1/
2
Previous
Next
其他结构设计CAD下载
ID: 1182601689
复制
上传作者
包包扶你起来
上传时间
2024-12-25
文件大小
1.6M
设计风格:
--
CAD版本:
天正CAD7.0
包含文件:
CAD
授权
独家
立即下载
收藏
分享
举报
相关推荐
综合
结构节点图
其他结构设计
桁架
钢结构节点
混凝土节点
幕墙结构节点
转换层