CAD频道
CAD图库
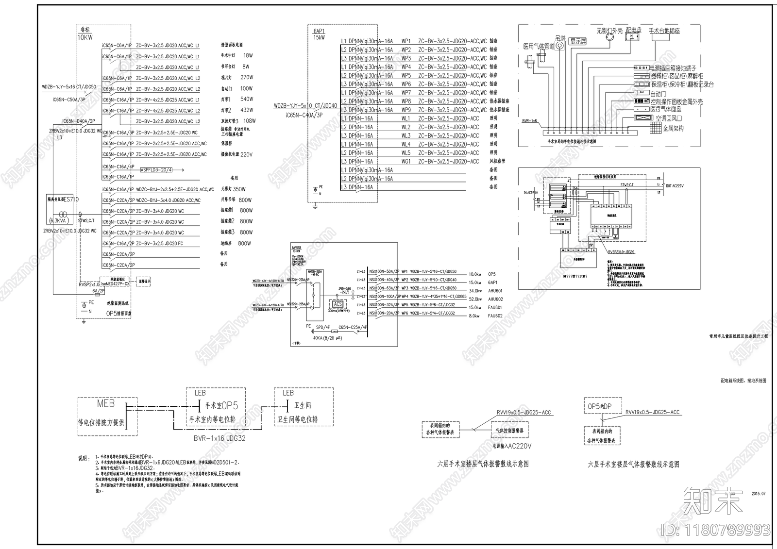
电气图 某小型儿童医院 手术部电气施工 施工图 电气图
1/
10
Previous
Next
电气图CAD下载
ID: 1180789993
复制
上传作者
天选搬砖
上传时间
2024-12-05
文件大小
1.87M
设计风格:
--
CAD版本:
CAD2014
包含文件:
CAD
授权
独家
立即下载
收藏
分享
举报
相关推荐
综合
机电工程
电气图
给排水图
水处理
暖通空调
电气工程节点
消防设施
机械设备
其他机电图纸
建筑给排水