CAD频道
CAD图库
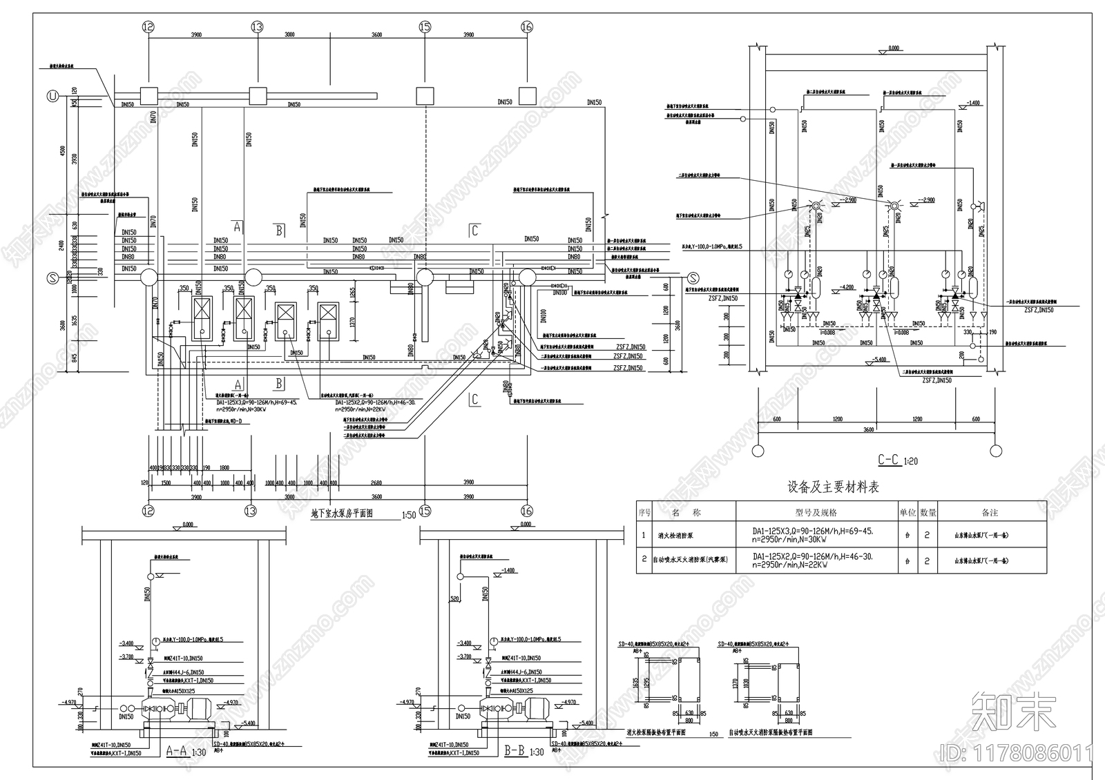
给排水图 商场给排水 施工图
1/
6
Previous
Next
给排水图CAD下载
ID: 1178086011
复制
上传作者
TXDC
上传时间
2024-11-07
文件大小
1.63M
设计风格:
--
CAD版本:
--
包含文件:
CAD
授权
独家
立即下载
收藏
分享
举报
相关推荐
综合
给排水图
其他给排水
景观给排水
市政给排水