CAD频道
CAD图库
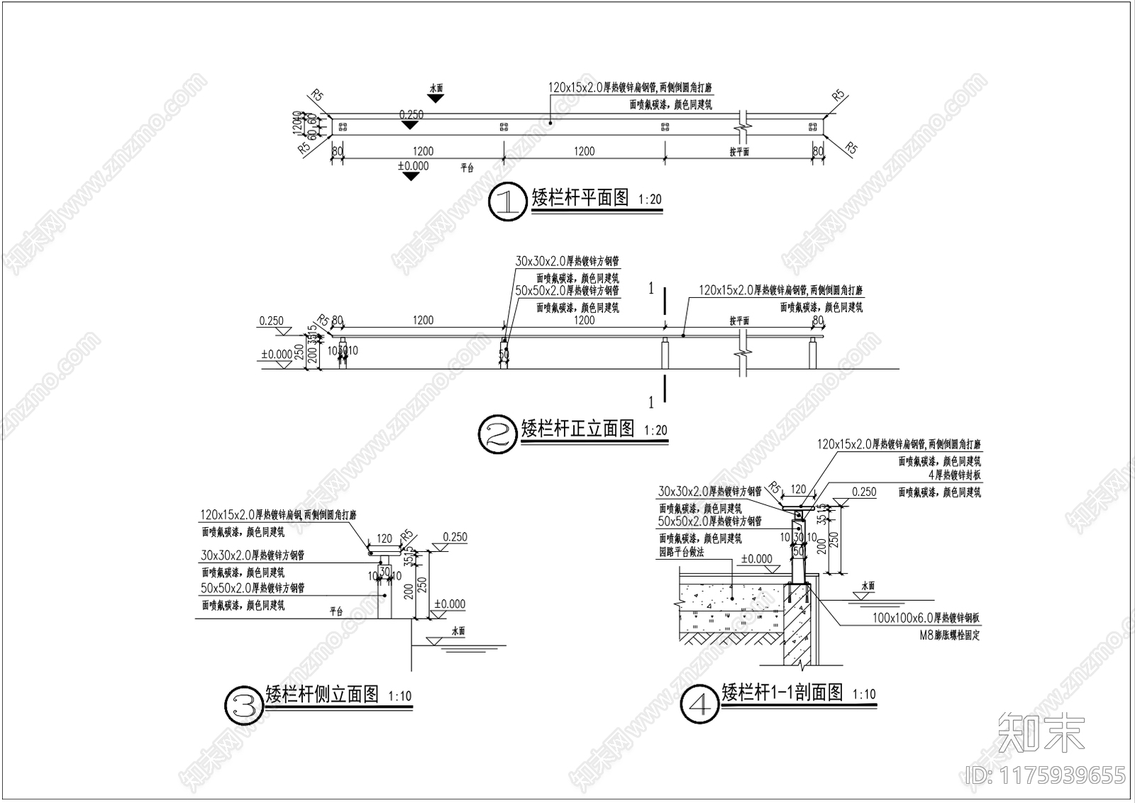
现代日式栏杆 亲水 矮 热镀锌方钢管 施工图
现代日式栏杆CAD下载
ID: 1175939655
复制
上传作者
远方的诗
上传时间
2024-10-18
文件大小
0.44M
设计风格:
--
CAD版本:
CAD2004
包含文件:
CAD
授权
独家
立即下载
收藏
分享
举报
相关推荐
综合
景观小品
栏杆
亭子
廊架
景墙
综合景观小品
雨棚
围墙
挡土墙
入口