CAD频道
CAD图库
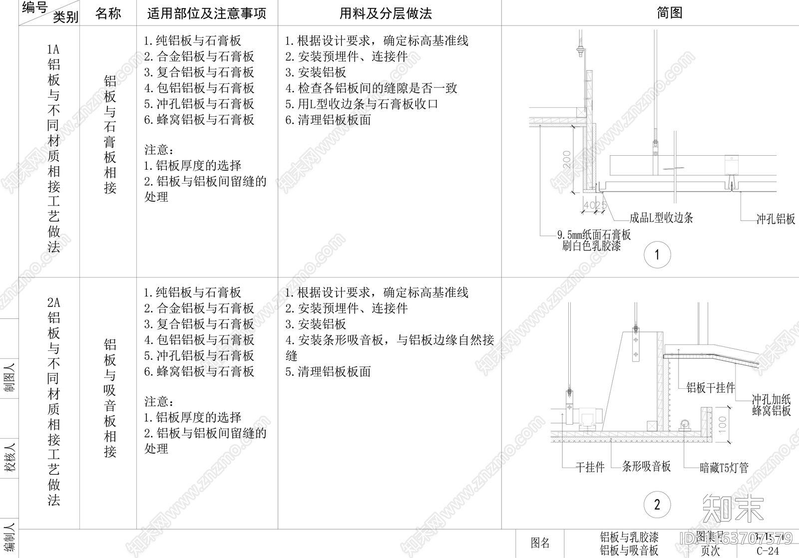
现代吊顶节点 镜子天 施工图 吊顶节点 吊顶综合节点
1/
2
Previous
Next
现代吊顶节点CAD下载
ID: 1163707579
复制
上传作者
设计是空
上传时间
2024-06-17
文件大小
0.13M
设计风格:
--
CAD版本:
CAD2007
包含文件:
CAD
授权
独家
立即下载
收藏
分享
举报
相关推荐
综合
软装摆件图库
镜子
窗帘
地毯
综合软装摆件图库
珠宝首饰
佛龛佛像
摆件
书
玩具